在低压供配点过程中,随着电机、互感器、变压器等感性负载使用量的增加,无功功率在电能使用过程中所占的 比重越来越大。无功补偿就显的尤其重要。但是在无功补偿装置使用过程中由于接线错误、电流电压取样位置错 误电流互感器安装位置不当、低压计量表的安装位置不当等各种原因,常常造成无功不补偿。
其原因一般有以下 几个。 1 电流互感器取样错误 在正常情况下应该如图1所示:但在实际使用中有些人由于不了解工作原理仅仅为了接线、安装方便或其它原因而 接成图2或图3接线。在图2接线中由于电流取样时取的是电容器柜的电流而不是整个用电的电流信号,在无功补偿 时补的是电容器本身而不是这个用电总体。所以势必造成不补偿。而在图3接线中造成了取样互感器与取样电压重 复,导致电流和电压没有了相位关系,造成功率因数显示错误,以致发生不补偿现象。

图1 正确的电压、电流取样方式

图2 错误的电压、电流取样方式 1

图3 错误的电压、电流取样方式 2
总之:互感器安装时,测量电流和测量电压取样不能同相,当取样电流为A相时,测量电压应取B、C相。电流取 样应取自总出线侧互感器而不能取进入电容器出线侧的互感器。
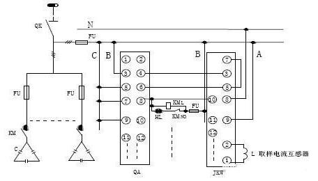
2 接触器、指示灯工作电源选取位置不当 笔者曾经在某单位无功不补问题处理过程中发现,设备使用方安装了无功补偿盘,无功补偿指示灯指示正常、接 触器吸合正常,可是无功补偿并不理想。经现场察看发现是由于接触器上端的熔断保险熔断造成。

其原理图如图4 所示,原因分析:由于接触器线圈KML及接触器吸合指示灯HL的工作电源取自刀开关下方,熔断保险熔断状态 下,接触器线圈KML及接触器吸合指示灯HL的工作电源仍能够正常工作,而电容器的一次线路处于断开状态,造成了无功不补偿。但指示灯正常指示,接触器正常吸合就给用户造成一种正常工作的假象。
其原因是由于所取无 功补偿控制电源位置不当造成,虽然在正常情况下能够工作,一旦熔断保险以下的一次线路出现问题,而其指示 灯正常指示,就造成一种无法看见的隐蔽故障,使用户不能正确判别。

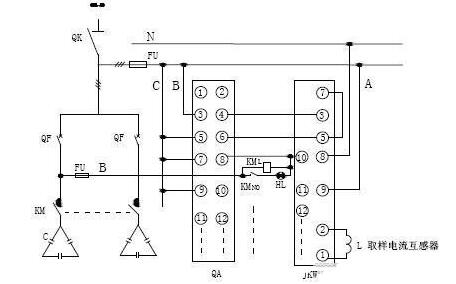
如果做如图5改动后,把电容器一次线路上 的熔断保险FU改换成小型断路器QF,把无功补偿控制线路的一端改接到微型断路器的下端,经改动后由于接触器 和指示灯的控制电源在断路器下端能够有效的解决以上弊端。
QK--刀开关 KM--接触器 C--电容 FU--熔断保险 KML--接触器线圈 KMNO --接触器常开触点 HL--指示灯 QA--转换开关 JKW--无功功率自动补偿器 A、B、C--相线 N--中线 图4 取电压位置不当的无功补偿控制线路 QK--刀开关 KM--接触器 C--电容 FU--熔断保险 KML--接触器线圈 KMNO--接触器常开触点 HL--指示灯 QA--转换开关 JKW--无功功率自动补偿器 A、B、C--相线 N--中线 QF--小型断路器
图5 改正后无功补偿控制线电源位置
总之:无功补偿指示灯应指示明确真实,能够正确的反映电容器的工作状态,让使用者一目了然能看出无功补偿 装置的真实运行情况。
3 无功自动补偿控制器参数设置不当
3.1 电流比设置错误 当控制器测量电流显示异常或者显示为000时,说明电流变比设置错误或电流互感器与控制器线路有开路或者没有 负荷四种情况。应检查无功功率补偿控制器参数设置菜单“电流变比”设置项,其值必须与主进线电流互感器的变 比值相同,如主进线取样电流互感器变比为200/5,控制器“电流变比”设定值应为40;当取样电流互感器变比为 400/5,控制器“电流变比”设定值应为80。如电流互感器与控制器电流端子线路有开路,应检查处理。
3.2 功率因数参数设置太低或其它 当无功补偿效果不好时还应该检查无功功率补偿控制器参数设置项,与补偿精度有关的参数有“目标cosφ”“门限” “电容容值”三个参数,可以提高目标“目标cosφ”值减小“门限”设定值,推荐设置目标为cosφ=1.00,不能低于 0.85;门限为1.0;每组电容器容量设定与实际电容器容量相同即可。因一些设计电容器容量分配级差较大,推荐 使用电容器编码方式,调整电容器容量,将会达到理想的补偿效果。
总之:在无功补偿时对补偿器的设置一定要合理正确,否则会引起无功不补或者补偿效果不好。
4 计量点位置选取错误 在计量时正确的计量位置应该如图6所示。

但是有些错把计量安装到电容器并接点以下,

如图7所示,由于计量安 装在电容器一次接点以下虽然电路的无功已经补偿但是没有计量进去,此时还是补偿前的无功功率。在无功计量时,一定要选准计量位置,否则会引起计量不准造成不必要的损失。
5 结束语 在无功补偿时经常出现各种原因引起的不补偿现象,给电网和客户造成不必要的损失,在众多的错误当中笔者总 结了以上几点,希望对各位有所帮助,并互相交流。
以上是关于《无功补偿装置不补偿的原因分析与处理》的相关内容,想了解更多电工资讯内容,请持续关注《云南电工考试网》。也可点击下方我要报名或填写下方报名咨询表单即可得到专业老师在线解答和报考服务哦~
