
该系列高精度全自动、三相交流稳压电源是本公司引进国外先进技术,博采众家所长,研制生产的新一代多功能全自动稳压电源,性能指标符合(JB/T3717-1999)标准,稳压电源是由接触式调压器、自动控制电路和伺服电机所组成,当电网不稳定或负载变化时,自动控制电路进行取样、比较、放大、控制伺服带动转臂、电刷按所需方向转动,使输出电压调整到额定值,而达到稳压的目的。
该稳压电源具有外形美观大方、体积小、重量轻、自身功耗低、各种保护功能全,稳定可靠,能长期运行,输出波形失真小的特点。
为确保产品质量,其关键部件调压铁芯选用进口硅钢片,控制电路的关键元件采用进口件,电刷采用具有各向异性的新型材料。
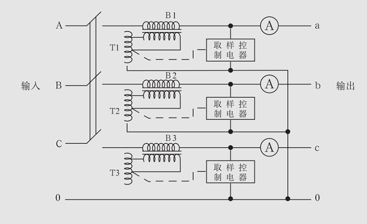
本系列高精度全自动三相交流稳压电源是由单相TND(SVC)系列高精度自动稳压电源组合而成,三相分相调节,保证各相电压稳定安全,电网输入为三相四线制,星形接法,输出可用三相四线制或三相三线制,由三只电流表分别指示各相的输出电流,由一只转换开关和一只电压表换档监测各相输出电压。

9KVA及以下规格TNS系列高精度自动三相交流稳压器,由三只相应规格的单相自动稳压电源,采用自耦式。30KVA及以上规格TNS系列高精度自动三相稳压器采用补偿原理,基本原理见上图。
以上是关于《全自动交流稳压电源》的相关内容,想了解更多电工资讯内容,请持续关注《云南电工考试网》。也可点击下方我要报名或填写下方报名咨询表单即可得到专业老师在线解答和报考服务哦~
